
WJA滾子聯軸器 特點及應用場合:適用于起重機、提-升機構的減速器與卷筒的聯接及其他類似機構的聯接,可傳遞轉矩及支承徑向載荷,結構緊湊.工作穩定。
WJ型--內花鍵聯接型;
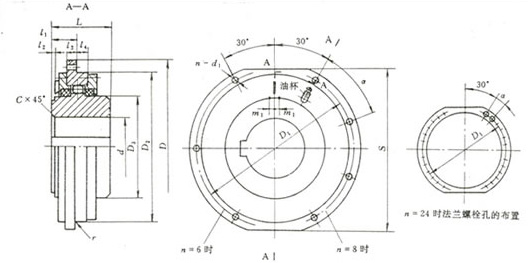
WJA型--軸孔單鍵聯接型;

WJA型球面滾子聯軸器基本參數和主要尺寸:(JB/T 7009-93) mm

電話: 0511-83998589 手機: 13952897281(徐經理) 13952802303(周經理) 18118972615(朱工) 郵箱: sales@zjlianxin.cn 地址: 鎮江市新區丁卯開發區潘宗工業園11號
Copyright ? 鎮江聯鑫聯軸器有限公司 版權所有 蘇ICP備14043855號-2 技術支持:江蘇易潤
專業生產:
